2.1.1. Installation of the Training catalog

Before you start working in PARTproject please install the file training.cip using PARTadmin.

You can find the training.cip file at ...\cadenas\partsolutions\software\training.

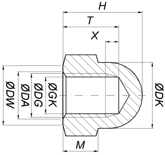
For the training example the following drawing and table shall serve as basis:

Cap nut drawing

Cap nut drawing

Cap nut table

Cap nut table